This weigh hopper load cell transducer is designed for rugged batch weighing applications that require rigid mounted tanks and hoppers. It is an ideal load sensor for on-board weighing and any other application experiencing dynamic loads.

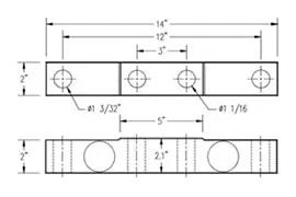
This weigh hopper load cell transducer is designed for rugged batch weighing applications that use rigid mounted tanks and hoppers. It is an ideal load sensor for on-board weighing and any other application experiencing dynamic loads. Available in 25,000 lbs and 35,000 lbs and 75,000 lbs capacities. 25,000 lbs dimensions shown below

| Capacities (pounds) | 25,000 lbs, 35,000 lbs and 75,000 lbs load cell capacities |
|---|---|
| Safe Overload | 150% full scale safe overload |
| Ultimate Overload | 300% full scale ultimate overload |
| Full Scale Output | 25,000 lbs, 35K 2 mV/V +/- 0.25% FS |
| Maximum Excitation | 15 volts DC |
| Operating Temp | -40°C to +80°C |
| Compensated Temp | -10°C to +40°C |
| Sealing Standard | IP-67 protected against high pressure jets of water |
| Non Linearity | 25K, 35K +/- 0.1% FS |
| Material | 4140 / 4340 High Strength Alloy Steel |
| Portective Coating | Electro-less nickel – industrial high phosphorous, corrosion and chip resistant |
| Bridge Resistance | 700 Ohm |
Please click on the following links to download or view additional information: